
Historic Bay (2024) – Jamestown, RI
Architect: DiMauro Architects, Inc.
Interior Designer: Haas Design Studio
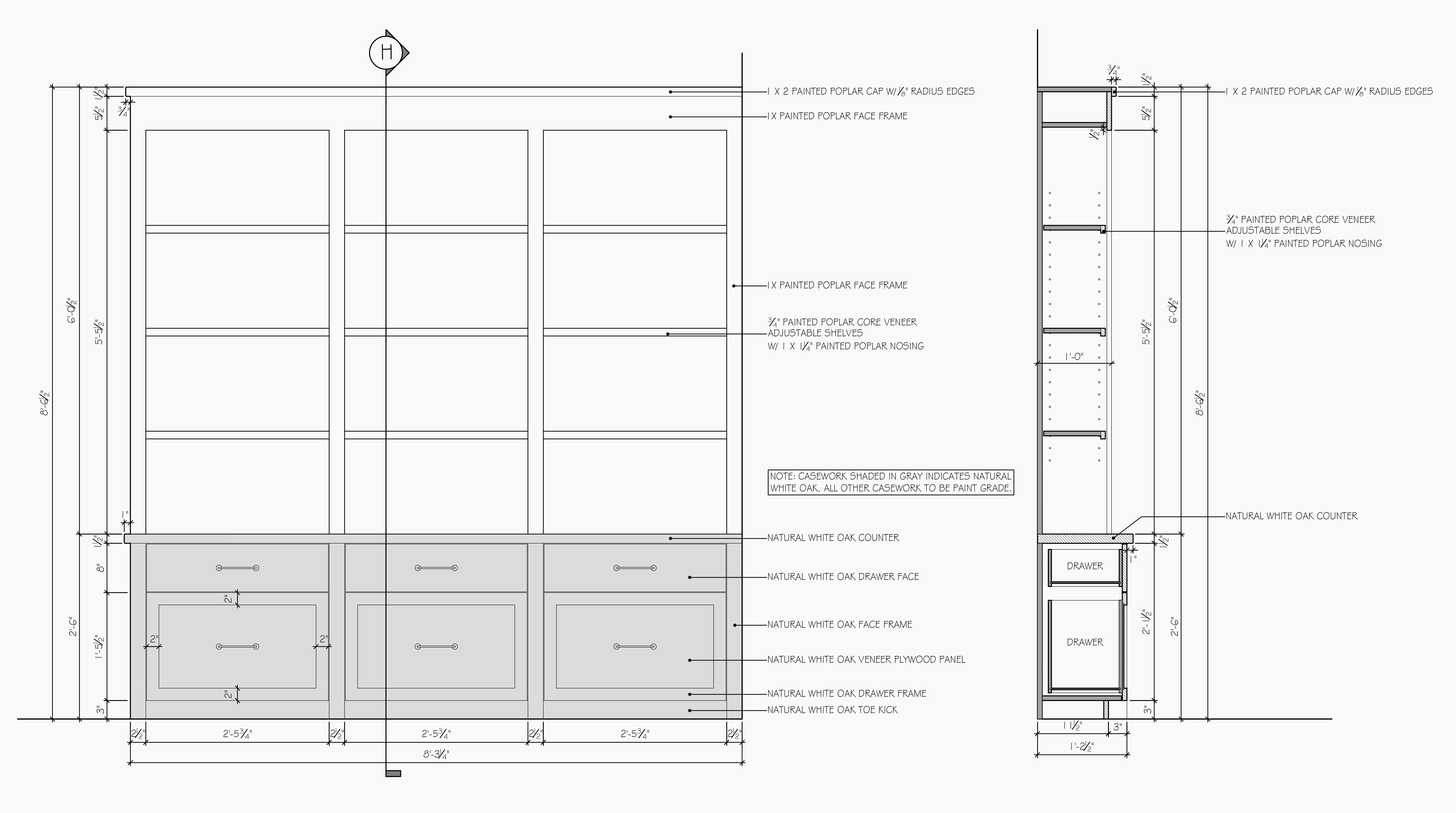
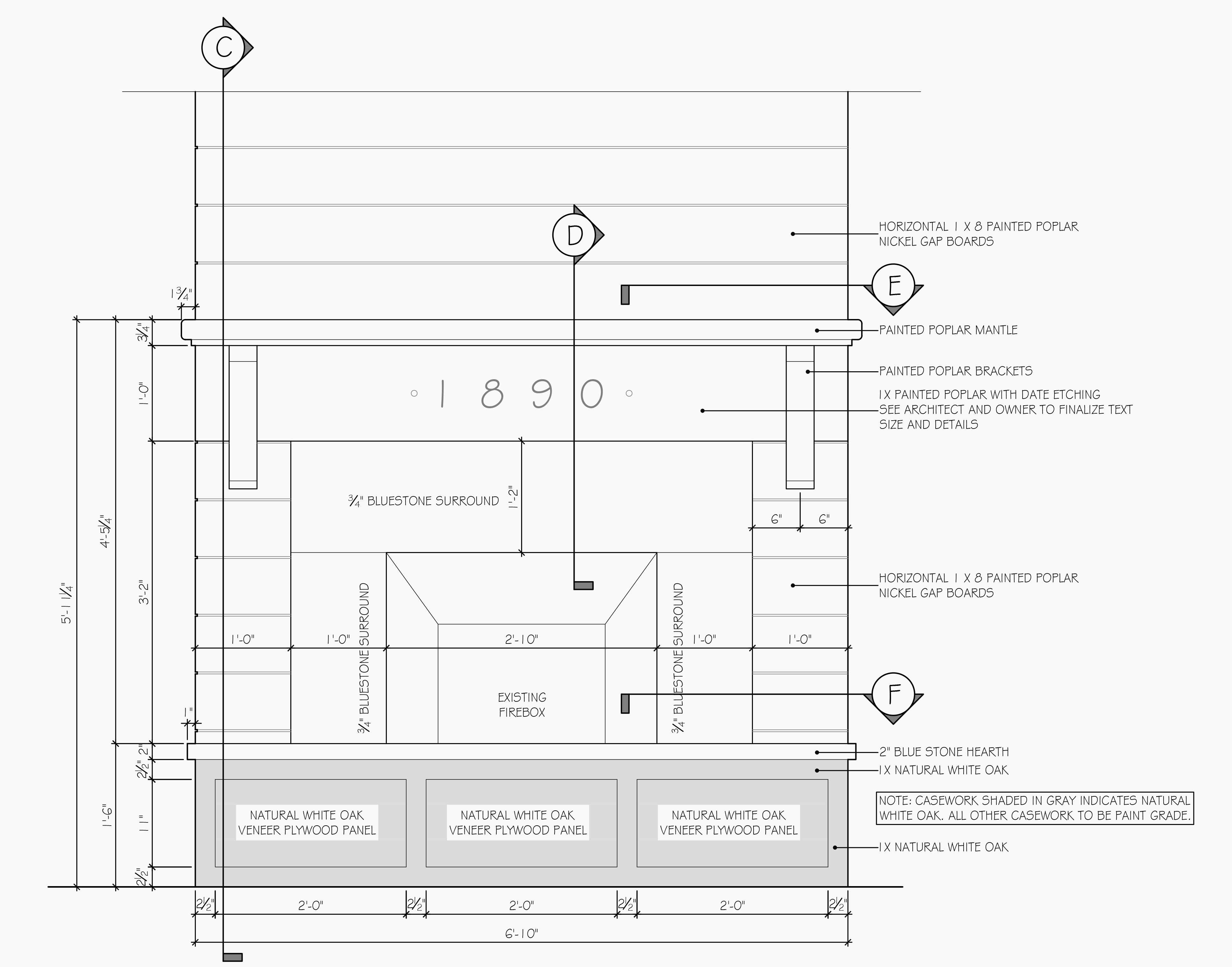
Millwork Elevations & Construction Details
Interior restoration and renovation






Photography: Haas Design Studio

Historic Bay (2024) – Jamestown, RI
Architect: DiMauro Architects, Inc.
Interior Designer: Haas Design Studio
Millwork Elevations & Construction Details
Interior restoration and renovation






Photography: Haas Design Studio